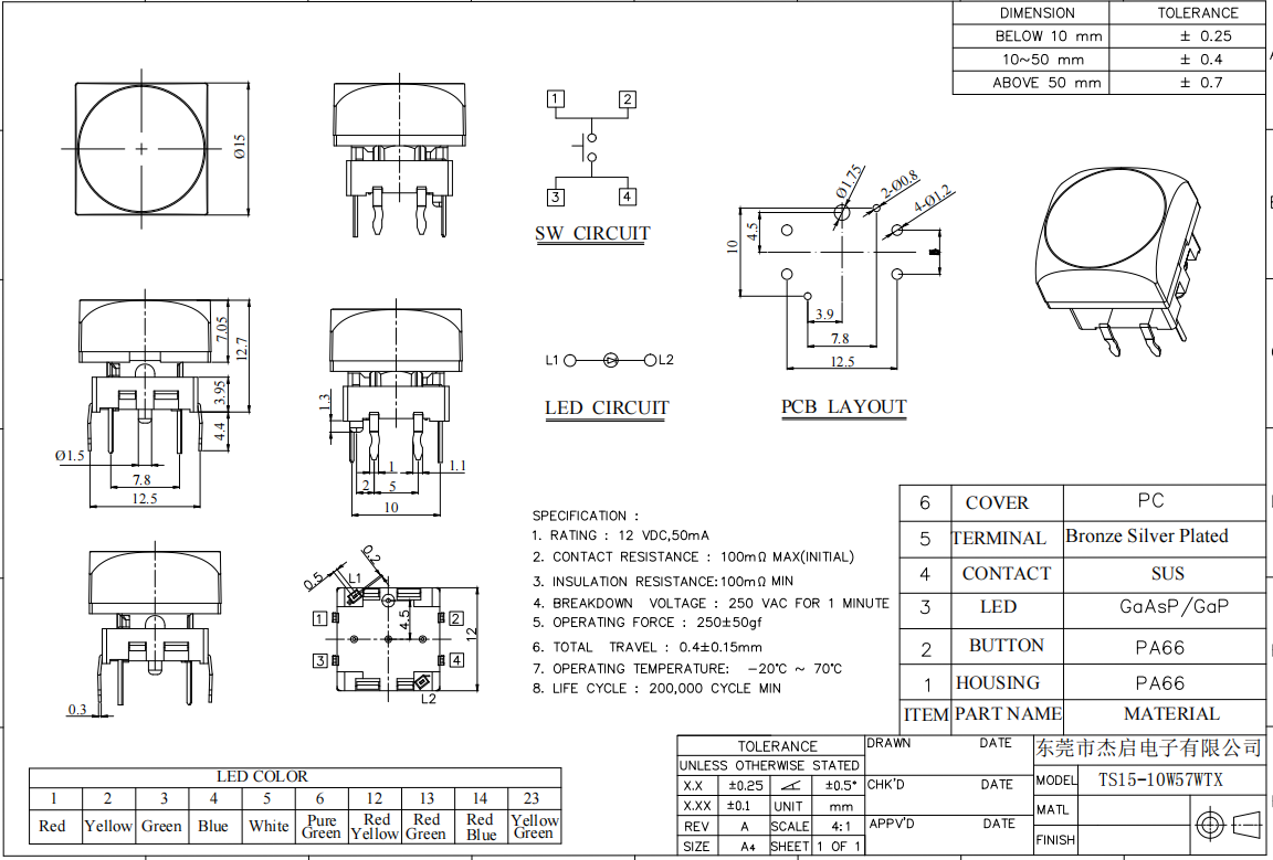
額定電流:50mA額定電壓:12V DC
接觸電阻:50mΩ(max)絕緣電阻:100MΩ(min)
耐壓測試:250VAC for 1 minute
操作力度: 250±50gf
開關行程:0.40±0.15mm
耐焊接熱:260℃ for 5 seconds
開關壽命:20萬次

類別:TS15
關鍵詞:T15方形上蓋15*15帶燈
點擊率:
發布時間:2023-06-25 10:47:35
全國服務熱線:135 3278 9397
立即咨詢額定電流:50mA額定電壓:12V DC
接觸電阻:50mΩ(max)絕緣電阻:100MΩ(min)
耐壓測試:250VAC for 1 minute
操作力度: 250±50gf
開關行程:0.40±0.15mm
耐焊接熱:260℃ for 5 seconds
開關壽命:20萬次

上一篇:TS15輕觸帶燈開關
下一篇:TS15輕觸帶燈開關圓形上蓋
contact us
公司名稱:東莞市杰啟電子有限公司
電話:135 3278 9397
手機:134 3302 6081
郵箱:jieqi001@jqswitch.com
地址:廣東省東莞市石碣鎮橫滘工業區
掃一掃