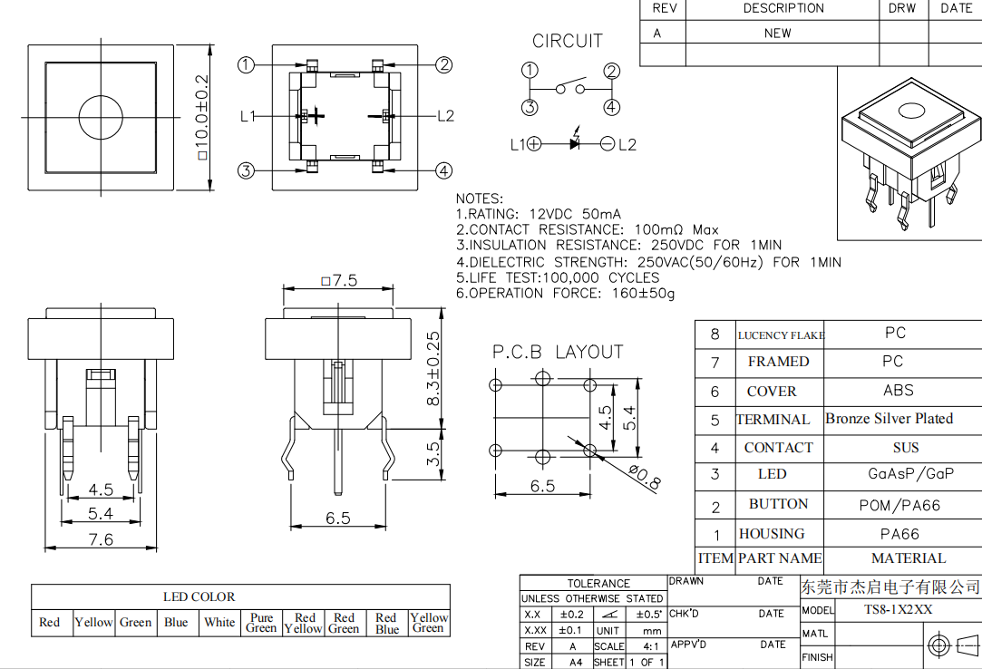
性能參數:
額定電流:50mA額定電壓:12V DC
接觸電阻:50mΩ(max)絕緣電阻:100MΩ(min)
耐壓測試:250VAC for 1 minute
操作力度: 160±50gf/250±50gf
開關行程:0.30±0.1mm
耐焊接熱:260℃ for 5 seconds
功能: 瞬間
產品優勢:
1.LED 燈色多色可選,可定制顏色,燈壓。
2.外框有方形,圓形,上蓋可以定制圖案,可鐳雕各種符號。
3.可搭配10mm圓形帽子和方形上蓋使用。
4.有貼片和插件安裝方式可選。
5. 可用回流焊焊接。
